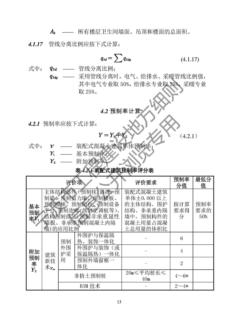
为持续推动宁波市建筑产业的现代化进程,提升宁波市建筑工业化水平,实现资源、能源的可持续发展,经广泛调研,在认真总结《宁波市装配式建筑预制率计算细则(试行)》实施情况和实践经验基础上,组织修订编制了《宁波市装配式建筑装配率与预制率计算细则》,已通过专家评审验收,现予以批准发布,编号为2018甬 DX-15,自2019年2月1日起执行。
相关文本可在宁波市绿色建筑与建筑节能网(http://www.nbjzjn.com/plugins/b_ckeditor/net/upload/file/20190108/1129582187.pdf)下载。原《宁波市装配式建筑预制率计算细则(试行)》(甬建发〔2017〕186号)同时废止。
宁波市住房和城乡建设委员会
2018年12月29日









































香港宝典免费资料网
高新技术企业
浙公网安备 33042402000443号